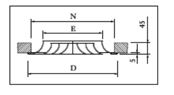
Model No. : APD
Specification:
Aluminium round pan diffuser with plaque type core for throw in circular pattern, gives good aesthetics. The plaque type core and be rotated for adjustment to provide excellent flow control for supply air as well as return air.
